Digitaal Diverse

Menu
P

SS460S Hall-effect switch

Artikelcode: 12
Prijs: EUR 1.30
Verzendkosten: EUR 0.00
Voorraad:

Omschrijving:

Industriele kwaliteit
Fabrikant: Honeywell
 
3 - 24 volt.  20mA
 
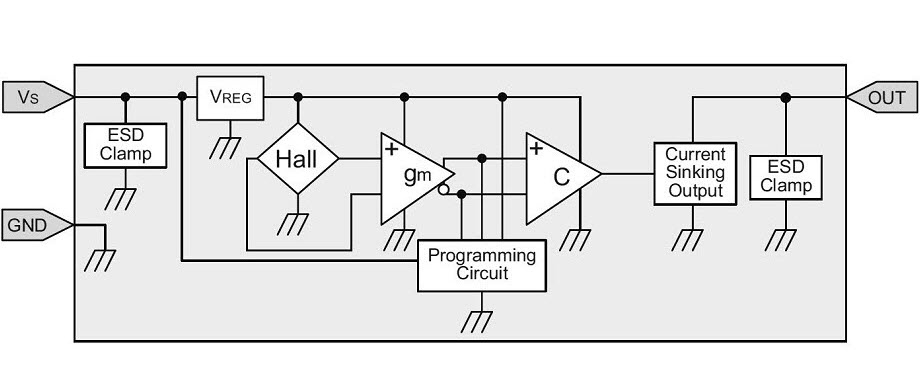
The SS460S is a high-sensitivity bipolar latching digital hall-effect Sensor IC, small, sensitive and versatile devices that are operated by the magnetic field from a permanent magnet or an electromagnet. This is designed to respond to alternating North and South poles. SS460S is turned ON by a South pole. The high-sensitivity bipolar latching digital hall-effect sensor IC offers reliable switching points with a high magnetic sensitivity of 30G typical (55G maximum). This sensor IC does not use chopper stabilization on the Hall element, providing a clean output signal and a faster latch response time when compared to competitive high sensitivity Hall-effect bipolar latching sensor ICs which do use chopper stabilization.
 
- Fastest response time, provides more efficiency in commutating a brushless DC motor
- No chopper stabilization, results in a clean output signal
- High sensitivity
- Bipolar latching magnetic
- Wide operating voltage range, allows for potential use in a wide range of applications
- Built-in reverse voltage, enhances the protection of the sensor and the circuits
- Durable design, allows operation up to 150°C (302°F)
 

Toepassingen

Industrial, Commercial, Motor Drive & Control, Sensing & Instrumentation, Metering, Robotics, Logistics, Medical
 

Waarschuwingen

ESD sensitive device, take proper precaution while handling the device.
 
 
Verzendkosten: binnenland: EUR 6.95
buitenland: EUR 25.00
« MC145106 / MB8719 | Terug | MB88301 »